HELM Rollapparat
Eigenschaften:
- galvanisch blau verzinkt
- für gerade Laufende Tore
HELM Rollapparat Agrar
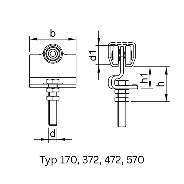
| Größe | Bezeichnung | Tragfähigkeit (kg) | für Schiene | b (mm) | h (mm) | h1 (mm) | d1 (mm) | d |
|---|---|---|---|---|---|---|---|---|
| 170 | Rollapparat einpaarig | 30 | 100 | 50 | 41+10 | 23.5 | 22 | M10x40 |
| 372 | Rollapparat einpaarig | 65 | 300 | 68 | 51+20 | 32 | 28 | M12x60 |
| 472 | Rollapparat einpaarig | 100 | 400 | 90 | 60+20 | 35 | 34 | M16x70 |
| 570 | Rollapparat einpaarig | 200 | 500 | 110 | 77+17 | 46.5 | 48 | M20x80 |
| 171 | Rollapparat zweipaarig | 50 | 100 | 105 | 41+10 | 25 | 22 | M10x40 |
| 373 | Rollapparat zweipaarig | 100 | 300 | 110 | 51+20 | 33 | 28 | M12x60 |
| 473 | Rollapparat zweipaarig | 200 | 400 | 140 | 60+20 | 36 | 34 | M16x70 |
| 571 | Rollapparat zweipaarig | 300 | 500 | 238 | 77+17 | 47.5 | 48 | M20x80 |
Größe
Type
Inhalt/Stück
| Ihre Auswahl |
|---|
Stk.
Lagerartikel Artikel in wenigen Tagen verfügbar